
数据中⼼液冷软管
LT800EPDM液冷管是专⻔设计的,针对高气密性要求行业(如数据中心水冷/液冷系统),产品具有较长使用寿命和较大安全性能,有效避免冷却液损耗,确保数据中心液冷系统安全运行。
- 内胶层:⿊⾊EPDM合成橡胶。
- 增强层:⼀层或两层合成纤维编织增强。
- 外胶层:⿊⾊耐天候、耐臭氧、UL94 V0阻燃特种合成橡胶。
- 温度范围:-40℃~+120℃(-40℉~+248℉)。
- 应用范围:适⽤于空⽓、⽔、⼄⼆醇、氯化液、氯气、油⽔乳化液、防冻剂、磷酸酯液压油等介质流体。
-
耐天侯老化
外层隔绝氧化侵蚀,耐天候、紫外线老化
-
V0级阻燃
符合UL94 V0阻燃标准,为数据中心提供安全可靠保障
-
柔软易安装
管路弯曲半径更小,采用UQD快速接头容易安装,适配狭小空间
LT800EPDM液冷软管参数
| 规格 | 软管内径 I.D | 软管外径 O.D | ⼤⼯作压⼒ Max.W.P | ⼩爆破压⼒ Min.B.P | ⼩弯曲半径 Min.B.R | 参考重量 W.T |
| Size | ⼩ Min | ⼤ Max | ⼩ Min | ⼤ Max |
| DASH | IN | mm | mm | MPa | psi | MPa | MPa | mm | kg/m |
| -4 | 1/4 | 6.1 | 7.2 | 11.6 | 12.6 | 1.38 | 5.5 | 24.5 | 0.13 |
| -5 | 5/16 | 7.7 | 8.3 | 14.5 | 15.5 | 1.38 | 5.5 | 31.5 | 0.18 |
| -6 | 3/8 | 9.5 | 10.3 | 15.4 | 16.4 | 1.38 | 5.5 | 37 | 0.19 |
| -8 | 1/2 | 12.5 | 13.3 | 19.7 | 20.7 | 1 | 1 | 69 | 0.25 |
| -10 | 5/8 | 15.8 | 16.6 | 22.5 | 23.7 | 1 | 1 | 88 | 0.30 |
| -12 | 3/4 | 18.8 | 19.6 | 26.4 | 27.6 | 1 | 1 | 113 | 0.35 |
| -16 | 1 | 25.2 | 26.2 | 33.6 | 34.8 | 1 | 1 | 143 | 0.52 |
| -20 | 1 1/4 | 31.8 | 32.8 | 43 | 44.6 | 1 | 1 | 195 | 0.70 |
产品优势
EPDM液冷软管耐温宽(-40℃~150℃)、柔韧易安装(弯曲半径2倍管径),成本低且适配水-乙二醇冷却液,芳纶增强层确保高纯净度,减震降噪显著,是数据中心液冷系统的经济高效之选。
应用范围
EPDM液冷软管专为高纯度场景设计,适配半导体制造中的超纯水输送及数据中心乙二醇冷却液循环,耐腐蚀、防静电,确保介质零污染,同时满足化工、医药等工业领域的严苛要求。
通⽤快速连接接头
快速连接接头系列是数据中心液冷系统中的重要组件。专注于安全和简便的连接、防漏设计、高流量和抗机械应力,它专门设计以满足数据中心液冷系统的严格要求。
通用快换接头共有4个规格和两种颜色可供选择,符合0CP,并能保证100%通过氦气泄露检测。
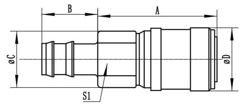
通用快换接头(UQD)
| UQDB | 螺纹/端头尺⼨ Thread/Size | 密封材质 Seal Ring material | A | B | ΦC | ΦD | S1六⽅ Hexagonal |
| 软管尾端Hose l.D. | EPDM | mm | in | mm | in | mm | in | mm | in | mm | in |
| UQD02 | 1/4 | EPDM | 46.2 | 1.82 | 19.0 | 0.75 | 15.5 | 0.61 | 23.0 | 0.91 | 14.0 | 0.55 |
| UQD04 | 3/8 | EPDM | 49.5 | 1.95 | 23.7 | 0.93 | 9.00 | 0.36 | 24.6 | 0.97 | 18.0 | 0.71 |
| UQD06 | 1/2 | EPDM | 61.1 | 2.41 | 25.8 | 1.02 | 24.0 | 0.94 | 31.7 | 1.25 | 22.0 | 0.87 |
| UQD08 | 5/8 | EPDM | 68.4 | 2.69 | 39.0 | 1.54 | 30.0 | 1.18 | 35.0 | 1.38 | 27.0 | 1.06 |
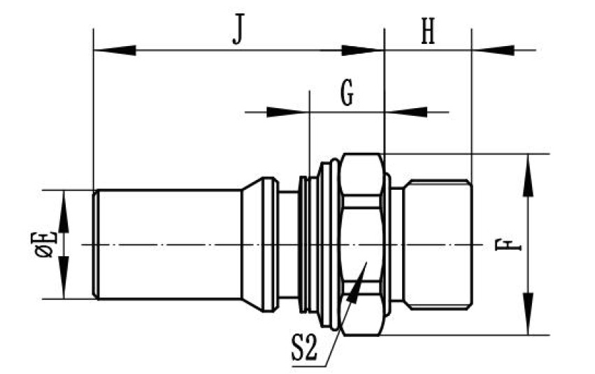
| UQDB | 螺纹/端头尺寸 Thread/Size | 密封材质 Seal Ring material | ΦE | F | G | H | J | S2六⽅ Hexagonal |
| BSP | EPDM | mm | in | mm | in | mm | in | mm | in | mm | in | mm | in |
| UQD02 | 1/8 | EPDM | 6.65 | 0.26 | 17.32 | 0.68 | 8.70 | 0.34 | 8.00 | 0.31 | 30.40 | 1.20 | 15.00 | 0.59 |
| UQD04 | 3/8 | EPDM | 11.07 | 0.44 | 25.40 | 1.00 | 9.80 | 0.39 | 11.20 | 0.44 | 37.90 | 1.49 | 22.00 | 0.87 |
| UQD06 | 3/8 | EPDM | 14.30 | 0.56 | 25.40 | 1.00 | 10.00 | 0.39 | 11.20 | 0.44 | 41.60 | 1.64 | 22.00 | 0.87 |
| UQD08 | 1/2 | EPDM | 17.48 | 0.69 | 34.64 | 1.36 | 12.00 | 0.47 | 14.50 | 0.57 | 47.60 | 1.87 | 30.00 | 1.18 |
| UQDB | 螺纹/端头尺寸 Thread/Size | 密封材质 Seal Ring material | ΦE | F | G | H | J | S2六⽅ Hexagonal |
| ORB | EPDM | mm | in | mm | in | mm | in | mm | in | mm | in | mm | in |
| UQD02 | 7/16-20 | EPDM | 6.65 | 0.26 | 16.17 | 0.64 | 8.70 | 0.34 | 9.10 | 0.36 | 29.8 | 1.15 | 14.00 | 0.55 |
| UQD04 | 9/16-18 | EPDM | 11.07 | 0.44 | 19.63 | 0.77 | 9.80 | 0.39 | 9.90 | 0.39
| 37.9 | 1.49 | 17.00 | 0.67 |
| UQD06 | 3/4-16 | EPDM | 14.30 | 0.56 | 25.40 | 1.00 | 10.00 | 0.39 | 11.10 | 0.44 | 41.6 | 1.64 | 22.00 | 0.87 |
| UQD08 | 7/8-14 | EPDM | 17.48 | 0.69 | 31.18 | 1.23 | 12.00 | 0.47 | 12.70 | 0.50 | 47.6 | 1.87 | 27.00 | 1.06 |
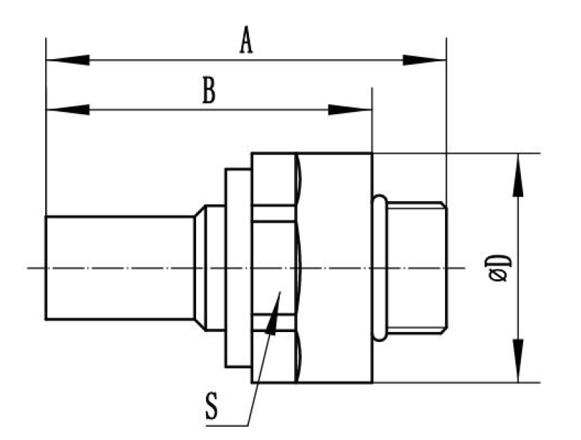
通用盲插快换接头(UQDB)
| UQDB | 螺纹/端头尺⼨ Thread/Size | 密封材质 Seal Ring materia | A | B | ΦD | S六⽅ Hexagonal |
| ORB | EPDM | mm | in | mm | in | mm | in | mm | in |
| UQD02 | 9/16-18 | EPDM | 33.6 | 1.32 | 23.5 | 0.93 | 21.0 | 0.83 | 16.0 | 0.63 |
| UQD04 | 3/4/16 | EPDM | 39.6 | 1.56 | 28.5 | 1.12 | 24.0 | 0.94 | 22.0 | 0.87 |
| UQD06 | 7/8/14 | EPDM | 44.6 | 1.76 | 32.0 | 1.26 | 29.0 | 1.14 | 27.0 | 1.06 |
| UQD08 | 11/16-12 | EPDM | 54.6 | 2.15 | 39.5 | 1.56 | 37.0 | 1.46 | 32.0 | 1.26 |
| UQDB | 螺纹/端头尺⼨ Thread/Size | 密封材质 Seal Ring materia | A | B | ΦD | S六⽅ Hexagonal |
| ORB | EPDM | mm | in | mm | in | mm | in | mm | in |
| UQD02 | 7/16-20 | EPDM | 36.1 | 1.42 | 27.0 | 1.06 | 21.0 | 0.83 | 19.0 | 0.75 |
| UQD04 | 9/16-18 | EPDM | 45.3 | 1.78 | 35.3 | 1.39 | 24.0 | 0.94 | 22.0 | 0.87 |
| UQD06 | 3/4/16 | EPDM | 50.0 | 1.97 | 38.9 | 1.53 | 29.0 | 1.14 | 27.0 | 1.06 |
| UQD08 | 7/8/14 | EPDM | 62.7 | 2.47 | 50.0 | 1.97 | 39.0 | 1.54 | 36.0 | 1.42 |
EPDM 密封件
EPDM 密封件在液冷接头中应用广泛,核心优势在于优异的耐水性与耐化学性,能适配多数冷却液并长期保持密封性能。
EPDM 密封件的核心特性优点
-
强耐化学腐蚀性
能稳定耐受液冷系统中常见的冷却液,包括去离子水、乙二醇溶液、不易发生溶胀、开裂或 性能衰减,有效避免冷却液泄漏。
-
宽温域稳定性
工作温度范围覆盖-40°C至 120℃,在液冷系统启停导致的温度波动中,仍能保持弹性,不会因低温硬化或高温软化而失效。
-
优异的弹性与抗变形性
具备高弹性回复率和低压缩变形,长期受压后仍能紧密贴合接头密封面,维持稳定的密封效果,延长接头使用寿命。
-
良好的耐老化性
抗臭氧、抗紫外线和抗热氧老化能力强,即使在长期使用或户外/机房环境中,也不易出现龟裂、变硬等老化现象,减少维护频率。
相关产品